• TG170-2C
  • TG170-2C

    无人机二冲程发动机,启发一体电喷,双杠风冷式,自动进角CDI点火,混合气润油,推式和拉式装置,航模复合翼固定翼,汽油版

    • ¥0.00
      ¥0.00
商品描述

无人机二冲程发动机,启发一体电喷,双杠风冷式,自动进角CDI点火,混合气润油,推式和拉式装置,航模复合翼固定翼,汽油版



技术参数详情


以下是无人机发动机TG170-2C的详细技术参数



技术规格


基础数据



功率15hp/11kW总机重量3.65kg
拉力

32kgf Altitude 100m

转速范围2500-7500rpm
适用螺旋桨规格30*12;32*10燃油比例40:1
缸径*行程51mm*41mm油耗435g/kW·h
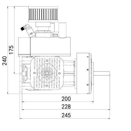
排量170cc尺寸

240*340*245 mm



上位机软件





尺寸参数






热线电话
电话:400-1010-986
网站动态
电子邮件
D15127141996@163.com
联系我们
线下地址
石家庄市裕华区翟营大街452号